





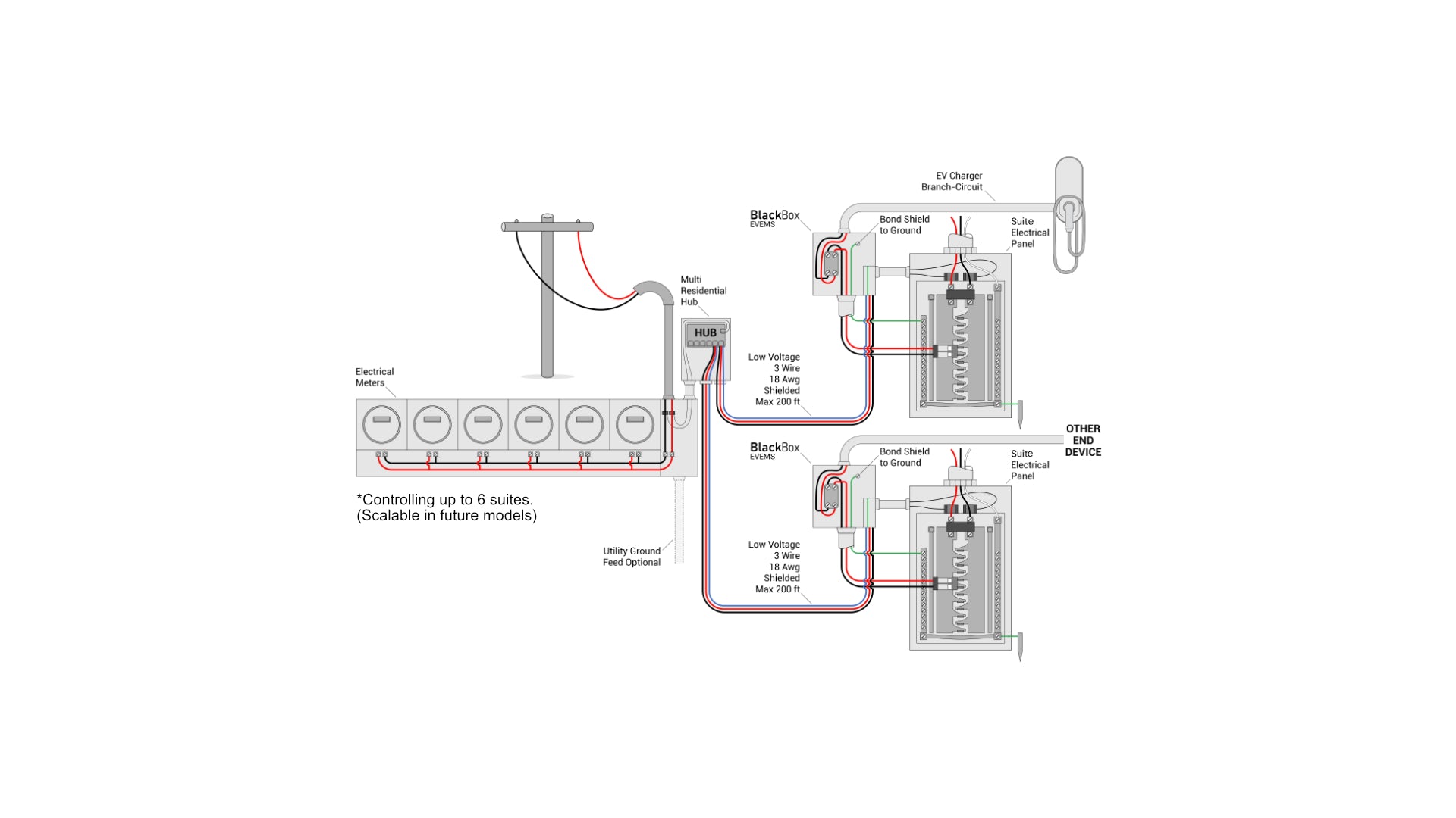
Multi-Residential Hub Energy Management System
Our patented automatic load management Hub system or EV energy management Hub system (EVEMS / PCS) provides the ability to monitor the utility feed lines of a Multi-Residential building to ensure these lines do not overload. It uses intelligent equalization technology to ensure all suites of a multi-residential dwelling have equal access to power when an overload condition occurs and works seamlessly with the BlackBox EVEMS240 product line. This is an essential part of providing multistage electrical energy management to a Multi-Residential electrical structure thereby alleviating the need for a utility feed, electrical panel and/or service upgrade.
* Functional testing done to CSA SPE 343 draft standard by QTEST who are accredited by the Standards Council of Canada and in accordance with SPE-1000 and ISO 17020 to ensure safety and code compliance on electrical products.
KEY FEATURES:
- Protects main utility feed from overloading in Multi-Residential applications
- Intelligent algorithm operation with equalization technology ensures all suites have equal access to power
- Fast and easy to install
- Small size fits in tight areas around electrical utility connections (8 1/4" x 6 1/4" x 4 1/4").
- Longest charge times due to intelligent current monitoring
- No need to disconnect the main utility feed wires
- No power connection to main utility feed wires
- Real-time reading of the total current usage
- Auto-sensing the number of suite Black Boxes connected
Pairs well with

Multi-Residential Hub Energy Management System
If you have any questions, you are always welcome to contact us. We'll get back to you as soon as possible, within 24 hours on weekdays.
-
Shipping Information
Use this text to answer questions in as much detail as possible for your customers.
-
Customer Support
Use this text to answer questions in as much detail as possible for your customers.
-
FAQ’s
Use this text to answer questions in as much detail as possible for your customers.
-
Contact Us
Use this text to answer questions in as much detail as possible for your customers.
